早些年我购入了一个DR100MK3录音笔,看中其又能录音又能回放,相当于大号的录音机+MP3。
不过回放功能在用几次后感觉并不如人意,其底噪较大,声音较为拥挤,所以后续基本没有再使用。
后来看了一些“发烧”贴,想当然想去换一下机内的运放,想能不能提升一些效果,当然结果可想而知,没有考虑配套电路+压根没有练习过的焊功,想当然的操作自然是差点把主板搞废了。
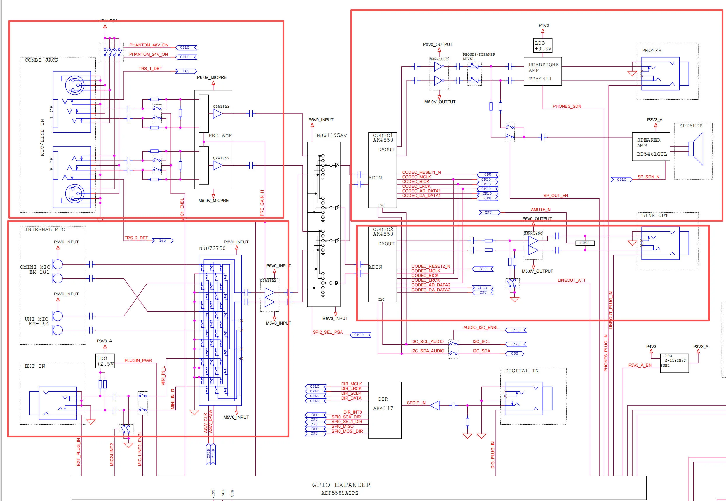
几年过去了,机子还是那个机子,知识越学越多,越学越感觉自己无知,在多次学习电烙铁的使用后,最终还是成功在录音机的主板上修补了七个SOP8的焊盘,让几年前搞坏的录音机重获新生,在此期间,寻找了一些手册,发现了一些有趣的事情。

1、DR100MK3的运放是OPA1652吗?
OPA1652是用于麦克风的前置放大,并不是用于音频输出【经过了拆机验证】。
2、DR100MK3的音频回放架构是?
两颗AK4558同时作为DAC,其中一颗AK4558+NJM4580C用于Line Out输出,一颗AK4558+NJM4580C经过音量调节,通过一颗BD5461GUL放大输出到机内喇叭,耳机输出则是在音量调节后,经过一颗TPA4411再输出到耳机口。【经过了拆机验证】
在这个架构下,经过简单的RMAA测试,音频回放在15kHz后就快速滚降,只更换运放可以拓展频率响应的范围,比如我将NJM4580C更换为了OPA1612,其他电路不做调整,测得频响在20kHz后滚降,不过响应曲线没有之前那么平直,在5kHz至15kHz之间有略微波动,噪音及动态范围的总体指标均略有上升,幅度不大。
NJM4580C下的FR图:

NJM4580C下的RMAA测试结果(EXT-LINE IN 2 LINE OUT):
| Frequency response (from 40 Hz to 15 kHz), dB | +0.07, -0.57 | Good |
| Noise level, dB (A) | -97.4 | Excellent |
| Dynamic range, dB (A) | 98.0 | Excellent |
| THD, % | 0.00081 | Excellent |
| THD + Noise, dB (A) | -88.3 | Good |
| IMD + Noise, % | 0.00618 | Excellent |
| Stereo crosstalk, dB | -67.9 | Good |
| IMD at 10 kHz, % | 0.00533 | Excellent |
| General performance | Very good |
OPA1612下的FR图:

更换OPA1612后的RMAA测试结果(EXT-LINE IN 2 LINE OUT):
| Frequency response (from 40 Hz to 15 kHz), dB | +0.07, -0.09 | Very good |
| Noise level, dB (A) | -100.7 | Excellent |
| Dynamic range, dB (A) | 102.3 | Excellent |
| THD, % | 0.00070 | Excellent |
| THD + Noise, dB (A) | -89.9 | Good |
| IMD + Noise, % | 0.00527 | Excellent |
| Stereo crosstalk, dB | -74.0 | Good |
| IMD at 10 kHz, % | 0.00442 | Excellent |
| General performance | Very good |
综合测试结果,硬素质还是距离专业播放器有不少差距。由于缺乏测试设备,其回放音乐的效果无法准确量化,不再推测。
3、DR100MK3的麦克风大小和型号是?
DR100MK3内置四颗麦克风【从架构图及BOM表中获得】,均为Primo的产品,其中两颗指向性麦克风——EM164(φ10.0mm x 4.5mm)【也可能是EM182,这里网上能获取到的BOM表和架构图有冲突。另外EM164的规格表显示最大声压级是120,EM182则是132】,两颗为全向麦克风——EM281(φ5.8mm x 2mm)。【这颗全向麦克风规格表最大声压级128,DR100MK3的宣传页显示125,鉴于广告宣传的一般原理,如果DR100MK3选择了EM182,那么他们一定会宣传其高达132的声压级,但是没有,因此量产机的指向性麦克风大概率为EM164】

发表回复